| Verfügbarkeitsstatus: | |
|---|---|
| Menge: | |
Förderwalze ansammeln
Stahlfahrzeuge zum Anhäufen von Förderrollen, C.Oompare to Polymer -Kettenrad, Stahlkettenrad ist haltbarer. Es kann an das Polymerlagergehäuse oder das Stahllagergehäuse angepasst werden. Verschiedene Dimension und Material für verschiedene Rollenarbeitsbedingungen.
Spezifikationen
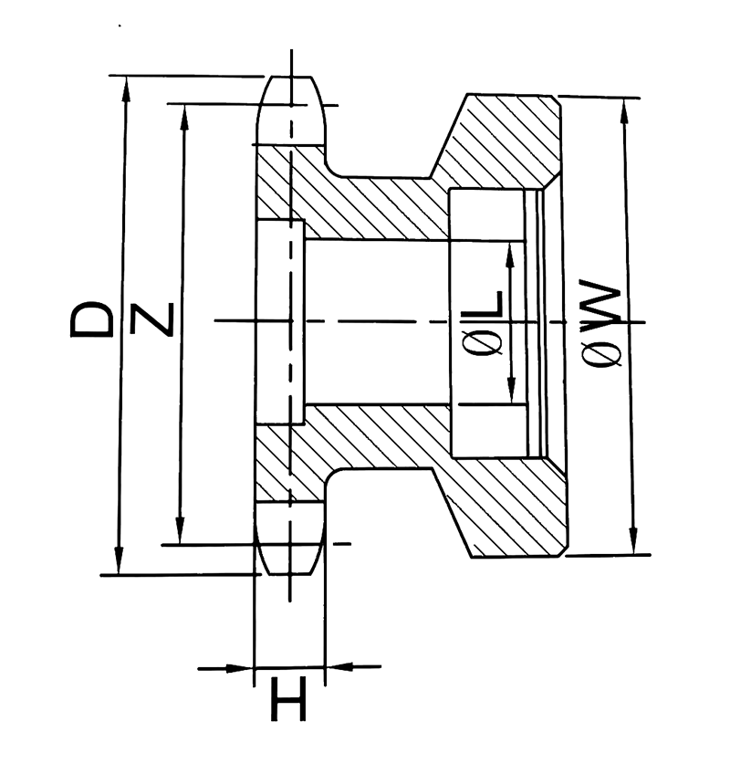
| Röhrchendurchmesser | Rohrdicke | Wellendurchmesser | Kettenradmodell | Material | Oberflächenbehandlung |
| Φ50 | 1,2/1,5/2.0 | Φ12/φ15 | 06b/08b | #45 Stahl, SS304 | Härtung, Oxidation |
| Φ60 | 1,5/2,0/2,5/3.0 | Φ12/φ15/φ20 | 08b | #45 Stahl, SS304 | Härtung, Oxidation |
| Φ76 | 2,0/2,5/3.0/3,5 | Φ12/φ15/φ20/φ25 | 08b/10a | #45 Stahl, SS304 | Härtung, Oxidation |
Anmerkungen: Ein-Reihen- oder Doppelreihe-Kettenradbaugruppe ist renovierbar.
2d Zeichnung

Bilder


Anwendungen

Förderwalze ansammeln
Stahlfahrzeuge zum Anhäufen von Förderrollen, C.Oompare to Polymer -Kettenrad, Stahlkettenrad ist haltbarer. Es kann an das Polymerlagergehäuse oder das Stahllagergehäuse angepasst werden. Verschiedene Dimension und Material für verschiedene Rollenarbeitsbedingungen.
Spezifikationen
| Röhrchendurchmesser | Rohrdicke | Wellendurchmesser | Kettenradmodell | Material | Oberflächenbehandlung |
| Φ50 | 1,2/1,5/2.0 | Φ12/φ15 | 06b/08b | #45 Stahl, SS304 | Härtung, Oxidation |
| Φ60 | 1,5/2,0/2,5/3.0 | Φ12/φ15/φ20 | 08b | #45 Stahl, SS304 | Härtung, Oxidation |
| Φ76 | 2,0/2,5/3.0/3,5 | Φ12/φ15/φ20/φ25 | 08b/10a | #45 Stahl, SS304 | Härtung, Oxidation |
Anmerkungen: Ein-Reihen- oder Doppelreihe-Kettenradbaugruppe ist renovierbar.
2d Zeichnung

Bilder


Anwendungen
