| Verfügbarkeitsstatus: | |
|---|---|
| Menge: | |
RONWIN
Bei diesem Produkt handelt es sich um eine hochentwickelte Verbundlagerbaugruppe. Sein Kernkonzept besteht darin, die Vorteile zweier unterschiedlicher Lagertypen (Rollenlager und Kugellager) in einer kompakten Einheit zu vereinen. Es wurde für anspruchsvolle Anwendungsszenarien entwickelt, die eine umfassende Kombination aus hoher radialer Belastbarkeit, mäßiger axialer Belastbarkeit, hoher Steifigkeit und präziser Rotation erfordern.
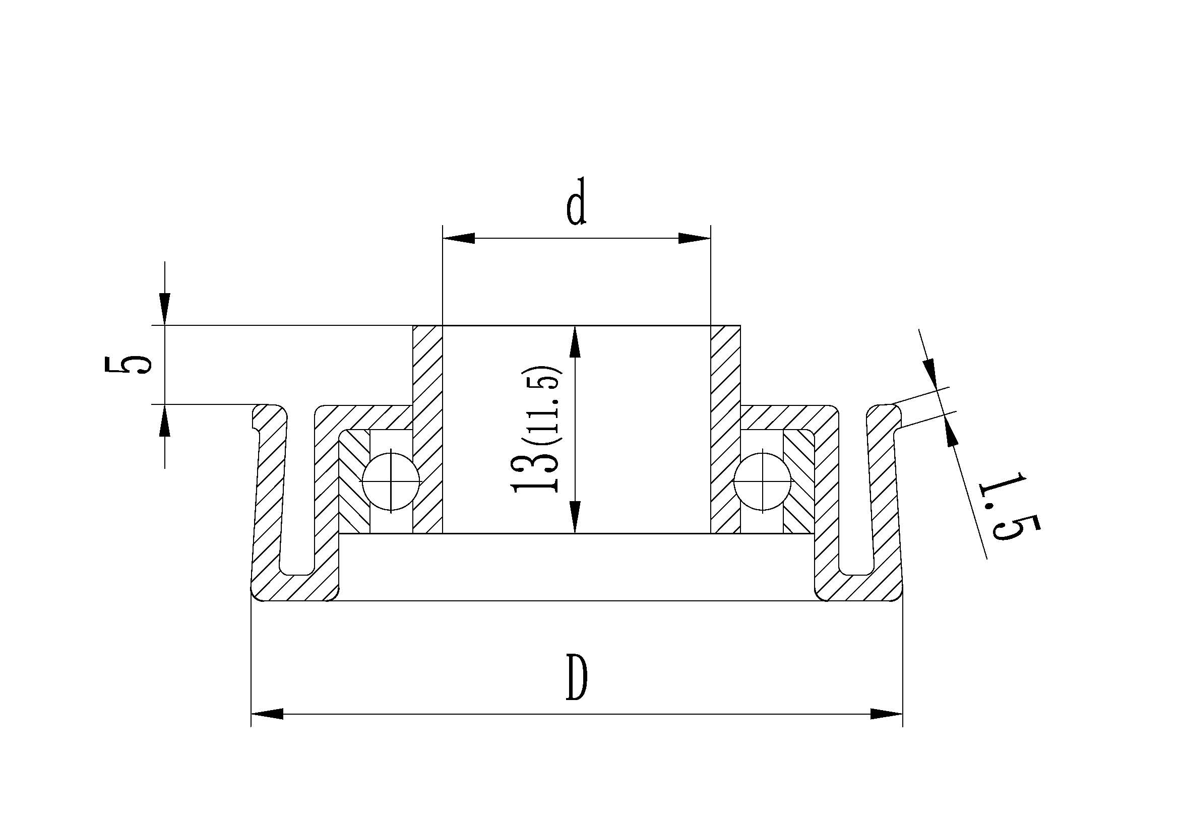
In der Spezifikationstabelle unten sind die Wandstärken des Rollenrohrs und der entsprechenden Welle aufgeführt.
| Rohraußendurchmesser (mm) | Rohrwandstärke (mm) | Wellendurchmesser (mm) | Material |
| Φ25 | 1,0/1,2 | Φ8 | Kohlenstoffstahl, Edelstahl |
| Φ32 | 1,0/1,2 | Φ8 | Kohlenstoffstahl, Edelstahl |
| Φ38 | 1,2/1,5/2,0 | Φ12 | Kohlenstoffstahl, Edelstahl |
| Φ42 | 1,2/1,5/2,0 | Φ12 | Kohlenstoffstahl, Edelstahl |

Stahlrollen mit Durchmessern von 25 mm, 32 mm, 38 mm und 42 mm können diese Art von Stahllageranordnung verwenden. Stempellagergehäuse, Endkappe und Präzisionskugellager vervollständigen die Lagerbaugruppe.
Bei dieser „Baugruppe“ handelt es sich nicht um ein standardisiertes Einzellager, sondern um ein integriertes Funktionsmodul. Seine typische Struktur besteht im Allgemeinen aus:
Äußere Schicht/Hauptkörper: Eine Zylinderrollenlagereinheit. Es besteht aus Außen- und Innenringen aus gehärtetem Stahl mit dazwischen liegenden Zylinderrollen. Dies ist die Hauptkomponente für die Bewältigung radialer (vertikaler) Lasten. Die Linienkontaktkonstruktion der Rollen sorgt für eine extrem hohe radiale Steifigkeit und Tragfähigkeit.
Innere Schicht / Integrierter Abschnitt: Eine Präzisions-Rillenkugellagereinheit. Typischerweise ist der Innenring des Wälzlagers speziell für die Integration eines Präzisions-Rillenkugellagers im Inneren oder an der Stirnseite ausgelegt. Dieses Kugellager ist für die Aufnahme axialer (horizontaler) Schublasten und eines Teils der verbleibenden Radiallast verantwortlich und sorgt für eine gleichmäßige Drehung und ein niedriges Anlaufdrehmoment für die gesamte Baugruppe.
Integriertes Gehäuse/Montage: Die gesamte Lagerbaugruppe ist normalerweise in einem robusten Stahlgehäuse (z. B. einem quadratischen Flanschblock, einem runden Flanschblock oder einem Stehlager) gekapselt. Dieses Gehäuse bietet eine präzise Montagereferenz, Vorausrichtungsfunktion und erleichtert die einfache Gesamtinstallation und Befestigung am Maschinenrahmen.

Rollelemente:
Rollen: Hergestellt aus kohlenstoffreichem Chromlagerstahl (z. B. GCr15), präzisionsgeschliffen mit extrem engen Maßtoleranzen und hoher Oberflächengüte, um eine gleichmäßige Lastverteilung zu gewährleisten.
Kugeln: Ebenso aus hochpräzisen Lagerstahlkugeln hergestellt, die in der Regel den Klassen ABEC-3/5/7 oder höher entsprechen und einen Hochgeschwindigkeitsbetrieb, geringe Reibung und präzise Laufwege garantieren.
Ringe und Käfig:
Die Innen- und Außenringe bestehen aus Wälzlagerstahl und werden einer Wärmebehandlung (Vergüten) unterzogen, um eine hohe Härte und Verschleißfestigkeit zu erreichen.
Der Käfig (der die Wälzkörper trennt) kann aus gestanztem Stahl oder hochfestem technischen Kunststoff (z. B. PEEK, Nylon) bestehen, um die Wälzkörper bei hohen Geschwindigkeiten zu führen und die Reibung zu reduzieren.
Dichtungen: Die Baugruppe ist in der Regel mit effizienten Mehrfachdichtungen (z. B. Kontaktgummidichtungen, Labyrinthdichtungen) ausgestattet, um das Eindringen externer Verunreinigungen (Staub, Schmutz, Flüssigkeiten) zu verhindern und das interne Schmierfett zurückzuhalten, wodurch die Lebensdauer verlängert wird.

Außergewöhnlich hohe radiale Belastbarkeit: Durch die Konstruktion des Zylinderrollenlagers kann es sehr hohen radialen Belastungen standhalten und übertrifft die Leistungsfähigkeit eines einzelnen Rillenkugellagers bei weitem.
Kombinierte Belastbarkeit: Über das integrierte Präzisionskugellager kann es erheblichen Axialschub aus beiden Richtungen bewältigen und gleichzeitig massiven radialen Belastungen standhalten. Dies bietet eine umfassendere und kompaktere Lösung im Vergleich zur Verwendung nur von Rollenlagern (typischerweise schwache axiale Tragfähigkeit) oder gepaarten Schrägkugellagern (relativ schwächere radiale Tragfähigkeit).
Hohe Steifigkeit und Präzision: Das Rollenlager bietet eine hervorragende Steifigkeit und widersteht Biegeverformungen durch schwere Lasten wirksam. Das integrierte Hochpräzisionskugellager sorgt dafür, dass das gesamte rotierende Wellensystem minimale Unrundheit und Betriebswackeln aufweist.
Voreingestellte und einfache Installation: Da es sich um eine Komponente handelt, die vor Verlassen des Werks voreingestellt, vorgeschmiert und abgedichtet ist, können Benutzer sie ohne komplexe Ausrichtung oder Anpassungen installieren. Es fungiert als „Plug-and-Play“-Modul, das den Montageprozess erheblich vereinfacht und die Genauigkeit und Zuverlässigkeit der Maschinenmontage insgesamt verbessert.
Diese Lagerbaugruppe wurde speziell für Geräte entwickelt, die schwere Lasten, Präzision und eine kompakte Struktur erfordern. Typische Anwendungen sind:
Hochpräzise Werkzeugmaschinen: Hintere Spindelunterstützung in CNC-Drehmaschinen und Bearbeitungszentren, feste Endunterstützung für Hochleistungs-Kugelumlaufspindeln.
Industrieroboter: Gelenkstellen von Robotern, insbesondere wichtige Drehachsen wie große Arme und Sockel, die gleichzeitig Biegemomenten (Radialkräften) und Schubkräften standhalten müssen.
Professionelle Antriebssysteme: Abtriebswellen großer Getriebe, Wälzlagergehäuse in Druckmaschinen, Führungsrollen in Walzwerksanlagen.
Präzisionsdrehgeräte: Radarantennen, rotierende Komponenten medizinischer CT-Scanner, Drehteller für große optische Instrumente.

Funktionsintegration: Löst die Stützanforderungen sowohl für schwere Radiallasten als auch für bidirektionale Axiallasten innerhalb einer einzigen Einheit.
Platzersparnis: Die integrierte Baugruppe weist im Vergleich zu Lösungen mit zwei separaten Lagern eine kompaktere Struktur auf und spart so wertvollen Innenraum im Gerät.
Leistungssteigerung: Hohe Steifigkeit und Präzision verbessern direkt die Bearbeitungsgenauigkeit, Bewegungsstabilität und dynamische Reaktion der Host-Ausrüstung.
Vereinfachte Konstruktion und Wartung: Reduziert die Anzahl der Teile, vereinfacht die mechanische Konstruktion und verfügt häufig über eine Langzeitschmierung, wodurch die Wartungsintervalle verlängert werden.
Wichtige Faktoren, auf die Sie sich bei der Auswahl konzentrieren sollten:
Dynamische/statische Tragzahlen: Radiale und axiale Tragfähigkeiten.
Präzisionsgrad: Die Präzision des Kugellagers (z. B. ABEC-Grad) und die Rotationsgenauigkeit der gesamten Baugruppe.
Zulässige Geschwindigkeit: Die maximale Geschwindigkeitsgrenze unter Berücksichtigung der kombinierten Eigenschaften der Rollen- und Kugellager.
Montageschnittstelle: Gehäusetyp (Flansch, Block usw.) und Abmessungen.
Schmierung und Dichtungen: Ob die Art des vorgefüllten Fetts und die Dichtungsklasse (IP-Schutzart) den Anforderungen der Betriebsbedingungen entsprechen.
Zusammenfassend lässt sich sagen, dass die Präzisionskugellager-integrierte Rollenstahllagerbaugruppe eine fortschrittliche Funktionskomponente ist, die in High-End-, Schwerlast- und Präzisionsmaschinenbereichen eingesetzt wird. Durch sein innovatives Verbunddesign „Rolle + Kugel“ vereint es Tragfähigkeit, Steifigkeit und Rotationspräzision perfekt. Es ist eine der zentralen Grundkomponenten für zuverlässige und präzise Bewegungen in modernen Hochleistungsgeräten.
Bei diesem Produkt handelt es sich um eine hochentwickelte Verbundlagerbaugruppe. Sein Kernkonzept besteht darin, die Vorteile zweier unterschiedlicher Lagertypen (Rollenlager und Kugellager) in einer kompakten Einheit zu vereinen. Es wurde für anspruchsvolle Anwendungsszenarien entwickelt, die eine umfassende Kombination aus hoher radialer Belastbarkeit, mäßiger axialer Belastbarkeit, hoher Steifigkeit und präziser Rotation erfordern.
In der Spezifikationstabelle unten sind die Wandstärken des Rollenrohrs und der entsprechenden Welle aufgeführt.
| Rohraußendurchmesser (mm) | Rohrwandstärke (mm) | Wellendurchmesser (mm) | Material |
| Φ25 | 1,0/1,2 | Φ8 | Kohlenstoffstahl, Edelstahl |
| Φ32 | 1,0/1,2 | Φ8 | Kohlenstoffstahl, Edelstahl |
| Φ38 | 1,2/1,5/2,0 | Φ12 | Kohlenstoffstahl, Edelstahl |
| Φ42 | 1,2/1,5/2,0 | Φ12 | Kohlenstoffstahl, Edelstahl |

Stahlrollen mit Durchmessern von 25 mm, 32 mm, 38 mm und 42 mm können diese Art von Stahllageranordnung verwenden. Stempellagergehäuse, Endkappe und Präzisionskugellager vervollständigen die Lagerbaugruppe.
Bei dieser „Baugruppe“ handelt es sich nicht um ein standardisiertes Einzellager, sondern um ein integriertes Funktionsmodul. Seine typische Struktur besteht im Allgemeinen aus:
Äußere Schicht/Hauptkörper: Eine Zylinderrollenlagereinheit. Es besteht aus Außen- und Innenringen aus gehärtetem Stahl mit dazwischen liegenden Zylinderrollen. Dies ist die Hauptkomponente für die Bewältigung radialer (vertikaler) Lasten. Die Linienkontaktkonstruktion der Rollen sorgt für eine extrem hohe radiale Steifigkeit und Tragfähigkeit.
Innere Schicht / Integrierter Abschnitt: Eine Präzisions-Rillenkugellagereinheit. Typischerweise ist der Innenring des Wälzlagers speziell für die Integration eines Präzisions-Rillenkugellagers im Inneren oder an der Stirnseite ausgelegt. Dieses Kugellager ist für die Aufnahme axialer (horizontaler) Schublasten und eines Teils der verbleibenden Radiallast verantwortlich und sorgt für eine gleichmäßige Drehung und ein niedriges Anlaufdrehmoment für die gesamte Baugruppe.
Integriertes Gehäuse/Montage: Die gesamte Lagerbaugruppe ist normalerweise in einem robusten Stahlgehäuse (z. B. einem quadratischen Flanschblock, einem runden Flanschblock oder einem Stehlager) gekapselt. Dieses Gehäuse bietet eine präzise Montagereferenz, Vorausrichtungsfunktion und erleichtert die einfache Gesamtinstallation und Befestigung am Maschinenrahmen.

Rollelemente:
Rollen: Hergestellt aus kohlenstoffreichem Chromlagerstahl (z. B. GCr15), präzisionsgeschliffen mit extrem engen Maßtoleranzen und hoher Oberflächengüte, um eine gleichmäßige Lastverteilung zu gewährleisten.
Kugeln: Ebenso aus hochpräzisen Lagerstahlkugeln hergestellt, die in der Regel den Klassen ABEC-3/5/7 oder höher entsprechen und einen Hochgeschwindigkeitsbetrieb, geringe Reibung und präzise Laufwege garantieren.
Ringe und Käfig:
Die Innen- und Außenringe bestehen aus Wälzlagerstahl und werden einer Wärmebehandlung (Vergüten) unterzogen, um eine hohe Härte und Verschleißfestigkeit zu erreichen.
Der Käfig (der die Wälzkörper trennt) kann aus gestanztem Stahl oder hochfestem technischen Kunststoff (z. B. PEEK, Nylon) bestehen, um die Wälzkörper bei hohen Geschwindigkeiten zu führen und die Reibung zu reduzieren.
Dichtungen: Die Baugruppe ist in der Regel mit effizienten Mehrfachdichtungen (z. B. Kontaktgummidichtungen, Labyrinthdichtungen) ausgestattet, um das Eindringen externer Verunreinigungen (Staub, Schmutz, Flüssigkeiten) zu verhindern und das interne Schmierfett zurückzuhalten, wodurch die Lebensdauer verlängert wird.

Außergewöhnlich hohe radiale Belastbarkeit: Durch die Konstruktion des Zylinderrollenlagers kann es sehr hohen radialen Belastungen standhalten und übertrifft die Leistungsfähigkeit eines einzelnen Rillenkugellagers bei weitem.
Kombinierte Belastbarkeit: Über das integrierte Präzisionskugellager kann es erheblichen Axialschub aus beiden Richtungen bewältigen und gleichzeitig massiven radialen Belastungen standhalten. Dies bietet eine umfassendere und kompaktere Lösung im Vergleich zur Verwendung nur von Rollenlagern (typischerweise schwache axiale Tragfähigkeit) oder gepaarten Schrägkugellagern (relativ schwächere radiale Tragfähigkeit).
Hohe Steifigkeit und Präzision: Das Rollenlager bietet eine hervorragende Steifigkeit und widersteht Biegeverformungen durch schwere Lasten wirksam. Das integrierte Hochpräzisionskugellager sorgt dafür, dass das gesamte rotierende Wellensystem minimale Unrundheit und Betriebswackeln aufweist.
Voreingestellte und einfache Installation: Da es sich um eine Komponente handelt, die vor Verlassen des Werks voreingestellt, vorgeschmiert und abgedichtet ist, können Benutzer sie ohne komplexe Ausrichtung oder Anpassungen installieren. Es fungiert als „Plug-and-Play“-Modul, das den Montageprozess erheblich vereinfacht und die Genauigkeit und Zuverlässigkeit der Maschinenmontage insgesamt verbessert.
Diese Lagerbaugruppe wurde speziell für Geräte entwickelt, die schwere Lasten, Präzision und eine kompakte Struktur erfordern. Typische Anwendungen sind:
Hochpräzise Werkzeugmaschinen: Hintere Spindelunterstützung in CNC-Drehmaschinen und Bearbeitungszentren, feste Endunterstützung für Hochleistungs-Kugelumlaufspindeln.
Industrieroboter: Gelenkstellen von Robotern, insbesondere wichtige Drehachsen wie große Arme und Sockel, die gleichzeitig Biegemomenten (Radialkräften) und Schubkräften standhalten müssen.
Professionelle Antriebssysteme: Abtriebswellen großer Getriebe, Wälzlagergehäuse in Druckmaschinen, Führungsrollen in Walzwerksanlagen.
Präzisionsdrehgeräte: Radarantennen, rotierende Komponenten medizinischer CT-Scanner, Drehteller für große optische Instrumente.

Funktionsintegration: Löst die Stützanforderungen sowohl für schwere Radiallasten als auch für bidirektionale Axiallasten innerhalb einer einzigen Einheit.
Platzersparnis: Die integrierte Baugruppe weist im Vergleich zu Lösungen mit zwei separaten Lagern eine kompaktere Struktur auf und spart so wertvollen Innenraum im Gerät.
Leistungssteigerung: Hohe Steifigkeit und Präzision verbessern direkt die Bearbeitungsgenauigkeit, Bewegungsstabilität und dynamische Reaktion der Host-Ausrüstung.
Vereinfachte Konstruktion und Wartung: Reduziert die Anzahl der Teile, vereinfacht die mechanische Konstruktion und verfügt häufig über eine Langzeitschmierung, wodurch die Wartungsintervalle verlängert werden.
Wichtige Faktoren, auf die Sie sich bei der Auswahl konzentrieren sollten:
Dynamische/statische Tragzahlen: Radiale und axiale Tragfähigkeiten.
Präzisionsgrad: Die Präzision des Kugellagers (z. B. ABEC-Grad) und die Rotationsgenauigkeit der gesamten Baugruppe.
Zulässige Geschwindigkeit: Die maximale Geschwindigkeitsgrenze unter Berücksichtigung der kombinierten Eigenschaften der Rollen- und Kugellager.
Montageschnittstelle: Gehäusetyp (Flansch, Block usw.) und Abmessungen.
Schmierung und Dichtungen: Ob die Art des vorgefüllten Fetts und die Dichtungsklasse (IP-Schutzart) den Anforderungen der Betriebsbedingungen entsprechen.
Zusammenfassend lässt sich sagen, dass die Präzisionskugellager-integrierte Rollenstahllagerbaugruppe eine fortschrittliche Funktionskomponente ist, die in High-End-, Schwerlast- und Präzisionsmaschinenbereichen eingesetzt wird. Durch sein innovatives Verbunddesign „Rolle + Kugel“ vereint es Tragfähigkeit, Steifigkeit und Rotationspräzision perfekt. Es ist eine der zentralen Grundkomponenten für zuverlässige und präzise Bewegungen in modernen Hochleistungsgeräten.